info@anayurtteknoloji.com
0 (312) 485 06 06

HF/VHF/UHF Spektrum İzleme Sistemi

Anayurt Teknoloji - projects - HF/VHF/UHF Spektrum İzleme Sistemi

Projenin Adı : HF/VHF/UHF Spektrum İzleme Sistemi

Proje Lokasyonu : Türkiye

Proje Müşterisi : Savunma Sanayii ve Askeri Kurumlar, Kamu Güvenliği ve Acil Durum Yönetim Kuruluşları

Projenin Tarihi : 2021

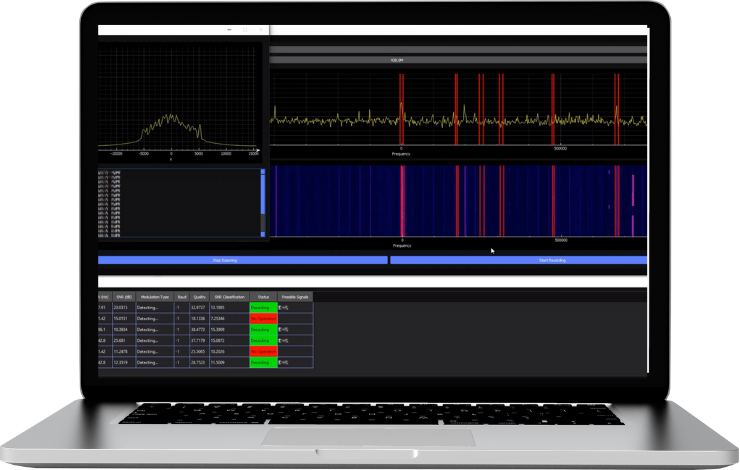
HF/VHF/UHF Spektrum İzleme Sistemi, elektromanyetik spektrum üzerindeki radyo sinyallerini gerçek zamanlı olarak yakalar, tespit ve analiz eder. Sistem, geniş bir frekans aralığında çalışır, çeşitli telsiz protokolleri ile iletilen iletişim sinyallerini yüksek doğrulukla tanımlar ve çözümler.
Kritik veri toplama konusunda gelişmiş çözümler sunan sistem, güvenilir ve kesintisiz izleme olanağı sağlar.

Sistem Hakkında

      Yüksek Hızlı Sınıflandırma: Sinyalleri tür veya protokole göre sınıflandırır.
      Geniş Frekans Aralığı: 1 kHz ile 3 GHz arasında sinyal takibi yapar.
      Protokol Desteği: NXDN, TETRA, DMR, dPMR, APCO-P25, D-STAR, X2- TDMA gibi popüler telsiz protokollerine ek olarak, PACTOR, OLIVIA, CLOVER, CODAN ve STANAG gibi 190 adet farklı telsiz veya modemi de gerçek zamanlı dinleme kabiliyeti sunar.
      Sinyal Tanımlama: Kayıtlı olmayan sinyalleri analiz edebilme yeteneği ile tüm sinyalleri tespit edip çözümleme gerçekleştirir.
      Gelişmiş Çözümleme: Sinyalleri ses ya da metin formatına dönüştürerek, çözülen verileri ‘.txt’ veya ‘.wav’ formatlarında saklar.
      Konum Tespiti: Spektrumda sınıflandırılan sinyallerin konumlarını tespit eder.

HF/VHF/UHF Spektrum İzleme Sistemi

HEMEN TEKLİF İSTEYİN !

Anayurt Teknoloji, network yönetimi, web mobil uygulama geliştirme, kablosuz haberleşme, sinyal işleme algoritmaları, haberleşme protokolleri ve yazılımları, RF sayısal PCB tasarımları, HF/VHF/UHF frekans bantlarında kayıt, spektrum takip sistemleri, kurumsal yazılım çözümleri konularında uzmanlaşmıştır.

Teklif Formu

REFERANSLARIMIZ

ANAYURT TEKNOLOJİ

Müşterilerimize sunduğumuz hizmetler ve başarılı projelerimiz hakkında daha detaylı bilgi almak için referanslarımız sayfamızı ziyaret edebilirsiniz.

visit home page

Anayurt Teknoloji, network yönetimi, web mobil uygulama geliştirme, kablosuz haberleşme, sinyal işleme algoritmaları, haberleşme protokolleri ve yazılımları, RF sayısal PCB tasarımları, HF/VHF/UHF frekans bantlarında kayıt, spektrum takip sistemleri, kurumsal yazılım çözümleri konularında uzmanlaşmıştır.

© Anayurt Teknoloji - 2023

visit home page

Anayurt Teknoloji, network yönetimi, web mobil uygulama geliştirme, kablosuz haberleşme, sinyal işleme algoritmaları, haberleşme protokolleri ve yazılımları, RF sayısal PCB tasarımları, HF/VHF/UHF frekans bantlarında kayıt, spektrum takip sistemleri, kurumsal yazılım çözümleri konularında uzmanlaşmıştır.

© Anayurt Teknoloji - 2023